Одношаговая BS цепь RF
Для общего применения Tsubaki может обеспечить широкой линейкой цепей с прикреплениями (аттачментами). Эта цепь была изготовлена согласно существующим Европейским стандартам.
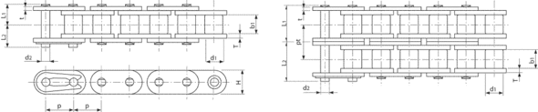
Однорядная одношаговая BS цепь RF с аттачментами
| Артикул цепи | Шаг p |
Диаметр ролика d1 |
Внутренняя ширина b1 |
|
|---|---|---|---|---|
| RF08B-1 | 12.70 | 1/2" | 8.51 | 7.75 |
| RF10B-1 | 15.875 | 5/8" | 10.16 | 9.65 |
| RF12B-1 | 19.05 | 3/4" | 12.07 | 11.68 |
| RF16B-1 | 25.40 | 1" | 15.88 | 17.02 |
| Артикул цепи | Палец | Пластина звена | Межрядный шаг pt |
Примерная масса кг/м |
||||
|---|---|---|---|---|---|---|---|---|
| Диаметр d2 |
Длина L1 |
Длина L2 |
Толщина T |
Толщина t |
Высота H (макс.) |
|||
| RF08B-1 | 4.45 | 8.40 | 10.00 | 1.60 | 1.60 | 11.80 | - | 0.75 |
| RF10B-1 | 5.08 | 9.55 | 11.25 | 1.50 | 1.50 | 14.70 | - | 1.00 |
| RF12B-1 | 5.72 | 11.10 | 13.00 | 1.80 | 1.80 | 16.10 | - | 1.30 |
| RF16B-1 | 8.28 | 17.75 | 19.95 | 4.00 | 3.20 | 24.00 | - | 2.80 |
- Соединительные звенья снабжаются пружинным зажимом.
Двухрядная одношаговая BS цепь RF с аттачментами
| Артикул цепи | Шаг p |
Диаметр ролика d1 |
Внутренняя ширина b1 |
|
|---|---|---|---|---|
| RF08B-2 | 12.70 | 1/2" | 8.51 | 7.75 |
| RF10B-2 | 15.875 | 5/8" | 10.16 | 9.65 |
| RF12B-2 | 19.05 | 3/4" | 12.07 | 11.68 |
| RF16B-2 | 25.40 | 1" | 15.88 | 17.02 |
| Артикул цепи | Палец | Пластина звена | Межрядный шаг pt |
Примерная масса кг/м |
||||
|---|---|---|---|---|---|---|---|---|
| Диаметр d2 |
Длина L1 |
Длина L2 |
Толщина T |
Толщина t |
Высота H (макс.) |
|||
| RF08B-2 | 4.45 | 15.30 | 16.90 | 1.60 | 1.60 | 11.80 | 13.92 | 1.40 |
| RF10B-2 | 5.08 | 17.85 | 19.55 | 1.50 | 1.50 | 14.70 | 16.59 | 1.90 |
| RF12B-2 | 5.72 | 20.85 | 22.75 | 1.80 | 1.80 | 16.10 | 19.46 | 2.60 |
| RF16B-2 | 8.28 | 33.55 | 35.75 | 4.00 | 3.20 | 24.00 | 31.88 | 5.60 |
- Соединительные звенья снабжаются пружинным зажимом.
- Средняя пластина цепи RF08B-2 имеет прямую сторону.













