Торцевые ключи для стопорных гаек серии TMFS
Торцевые ключи SKF предназначены для затягивания и отвинчивания стопорных гаек, используемых при установке подшипников на конической шейке, закрепительных или стяжных втулках. Требуют меньше пространства, чем обычные торцовые ключи. Имеют дюймовые переходники для электроинструмента или динамометрических ключей.
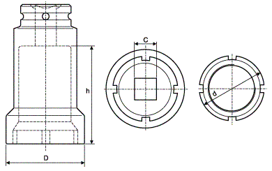
| Технические характеристики | |||||||
|---|---|---|---|---|---|---|---|
| Обозначение | Размеры | Переходники | Вес | Для гаек серий | |||
| d | D | h | C | ||||
| мм | мм | мм | дюймы | кг | KM, KMK, KMF | ||
| TMFS 0 | 18 | 22,0 | 45 | 3/8 | 0,10 | 2 | 0 |
| TMFS 1 | 22 | 28,0 | 45 | 3/8 | 0,10 | 1 | |
| TMFS 2 | 25 | 33,0 | 61 | 1/2 | 0,20 | 2 | |
| TMFS 3 | 28 | 36,0 | 61 | 1/2 | 0,24 | 3 | |
| TMFS 4 | 32 | 38,0 | 58 | 1/2 | 0,28 | 4 | |
| TMFS 5 | 38 | 46,0 | 58 | 1/2 | 0,38 | 5 | |
| TMFS 6 | 45 | 53,0 | 58 | 1/2 | 0,42 | 6 | |
| TMFS 7 | 52 | 60,0 | 58 | 1/2 | 0,45 | 7 | |
| TMFS 8 | 58 | 68,0 | 58 | 1/2 | 0,61 | 8 | |
| TMFS 9 | 65 | 73,5 | 63 | 3/4 | 0,80 | 9 | |
| TMFS 10 | 70 | 78,5 | 63 | 3/4 | 0,85 | 10 | |
| TMFS 11 | 75 | 83,5 | 63 | 3/4 | 0,90 | 11 | |
| TMFS 12 | 80 | 88,5 | 63 | 3/4 | 1,00 | 12 | |
| TMFS 13 | 85 | 94,0 | 63 | 3/4 | 1,10 | 13 | |
| TMFS 14 | 92 | 103,0 | 80 | 1 | 2,20 | 14 | |
| TMFS 15 | 98 | 109,0 | 80 | 1 | 2,30 | 15 | |
| TMFS 16 | 105 | 116,0 | 80 | 1 | 2,45 | 16 | |
| TMFS 17 | 110 | 121,0 | 80 | 1 | 2,60 | 17 | |
| TMFS 18 | 120 | 131,0 | 80 | 1 | 2,90 | 18 | |
| TMFS 19 | 125 | 137,0 | 80 | 1 | 3,05 | 19 | |
| TMFS 20 | 130 | 143,0 | 80 | 1 | 3,30 | 20 | |

















