Винтовые инжекторы 226270 и 226271
![]() |
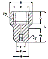
Винтовые инжекторы 226270 и 226271 применяются для монтажа и демонтажа подшипников и других деталей методом гидрораспора. Клапаны 226272 и 226273 могут использоваться для удержания давления при пополнении инжектора маслом. | |||||||||||||||||||||||||||
|
||||||||||||||||||||||||||||
| Технические характеристики клапанов | |||
|---|---|---|---|
| Обозначения | 226272 | 226273 | |
| G | 3/8 | 3/4 | |
| A, мм | 15 | 20 | |
| A1, мм | 17 | 22 | |
| F, мм | 9 | 14 | |
| F1, мм | 10 | 15 | |
| L, мм | 40 | 50 | |
| N, мм | 25,4 | 36,9 | |
| Размер ключа, мм | 22 | 32 | |
| Вес, кг | 0,05 | 0,20 | |


















